查看: 5116|回覆: 5
收起左側

[分享] Onkyo TX-SR494 新機直接土炮改 Pre-out

[複製連結]

發表於 2024-2-14 08:29:46 | 顯示全部樓層 |閱讀模式

馬上註冊,結交更多好友,享用更多功能,讓你輕鬆玩轉社區。

您需要 登錄 才可以下載或查看,沒有賬號?註冊

x
本文最後由 hungrich 於 2024-2-14 05:14 PM 編輯

由於現役的AV擴大機 TX-NR616 並沒有次世代影音撥放的功能
只有將1080升頻為    4K & 杜比 True-HD 解碼而已
ATMOS & DTS-X 以及 4K HDR10 這類功能完全並不具備
因此有打算東山再起, 2021/6 TX-NR616 各聲道改支援 preout 功能的想法套用到這2年內的新產品上
目標是挑選至少有7.2 聲道、支援次世代影音功能的AV擴大機, 推力不好沒關係, 重點是價格要便宜
Onkyo US & 台灣代理商官網看了一下, 加上目前能從網路上找到有線路圖的技術手冊, 就鎖定 TX-SR494 這一款了
TX-SR494這一台的定價策略從蝦皮大略看過就可以略知一二
趁年前最後一個上班日收工後, 直奔台北的 "音響街" 趁店家打烊前直接拎一台回家
雖然新品有2年保固, 不過一旦自己拆機改裝, 就什麼保固都沒有
套用對岸電視劇的台詞 : 這個是要先做好思想準備的

開箱圖
調整大小開箱.jpeg

TX-SR494這一台陽春的很, 連個基本網路功能都沒有, 除了低音以外,技術手冊中也找不到各聲道預留preout 的線路
反正目前的影音設備還無法搞出太多陣仗, 只要 HDMI 板沒有壞, 4進1出對我來說就綽綽有餘了, 至於 eARC..... 那就算了

機背-1.jpeg

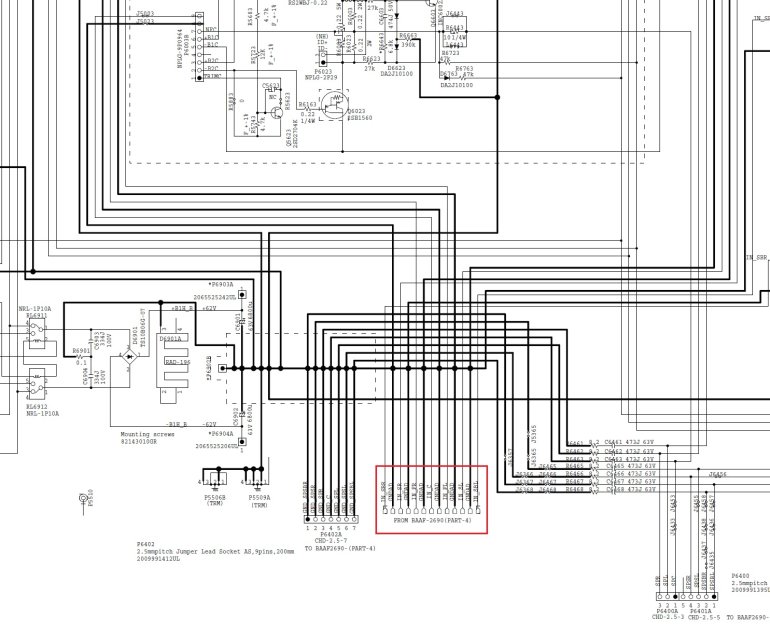
不過從電路區塊圖來看, 要下手的地方必須是在 DAC 解碼之後 & 功率放大之前 這一區間的位置做修改
修該的方式就是埋一條線拉給RCA端子, 而這個端子就是某一個聲道經過前級解碼後的信號

區塊圖.jpg

總共需要埋以下7條線拉到現成的RCA端子
SBR : 右後環繞
SR : 右環繞
R : 右主聲道
C : 中央聲道
L : 左主聲道
SL : 左環繞
SBL : 左後環繞
有發現不只一個可以動手修改的位置, 但是都很分散,
畢竟不是搞音響設計或是維修出身, 要理解 pin define 有一半是要靠運氣有沒有矇到
研究線路圖好一陣子,再三確認要動刀的位置

訊號腳位.jpg

一切就緒, 開始拆機, 機殼螺絲拆卸後就可以看到整機內部的電路板
電路板數量並不多, 連散熱風扇都沒有, 用料自然不用太期待

調整大小拆機殼.jpeg

補充一下關於 HDMI 板的部分, 板子下方兩側各有一個支撐架, 對應的鎖點在下方圖片
有用紅色圓圈註記, 應該是 Onkyo 自己有意識到 HDMI 板太薄, 不要說 Field side, 可能連
Onkyo 自己廠內組裝 & 電測都有遇到板彎造成錫裂導致電子元件無法正常運作的異常,
所以機構設計用支撐的方式來改善板彎的問題; 就這一點, 還算不錯

HDMI鎖點.jpg

HDMI板上的排線都退出後, 就可以拆除, 並先移到一旁

調整大小HDMI板1.jpeg

開始焊接要拉 Pre-out 用的走線, 這種線電子材料行新台幣2元賣你一條
一台萬把塊的AV擴大機, 我不太相信會有多少人會講究的要使用銀線

調整大小拉線.jpeg

焊好的線都標記是哪一個聲道

調整大小拉線1.jpeg

Audio In 是經過衡量後, 決定用來做這次改 Pre-out 輸出的端子頭
輸出聲道自行定義對應哪一個端子(手寫的太醜, 過幾天改成電腦列印^^)

調整大小破壞後的端子1.jpeg

機箱內的部分 : 上述會使用到的端子接腳要自己用工具剪斷
目的是要切斷 Audio In 到擴大機內部的走線
然後透過自行拉的走線焊接到端子上達到改用 Pre-out 功能的目的


調整大小拉線2.jpeg

都焊接好了之後就依序將 HDMI 板跟托架鎖附回去

調整大小HDMI板.JPG

隨意找一些片源測試, 各聲道的  Pre-out 拉到綜括都有聲音出來
影片的解碼功能也沒受到影響
除夕當天就改好了, 晚上看電視的時候自然是大爆棚.......

image1.jpeg    image2.jpeg

放眼全球AV擴大機市場, 有品牌的在售價300美金上下要有前級輸出似乎不太可能
這次也算運氣好, 可以自己把陽春麵透過小改方式變成牛肉麵
不過還是要聲明一下 : 整個改機過程中的都是屬技術層面的, 與鼓勵或慫恿改機毫無關聯
為了避免引起不必要的困擾, 就只在精研發表文章, 某2位數字的友站就不張貼了
祝各位新春愉快~


評分

參與人數 2名聲 +20 精幣 +20 收起 理由
XzCraftP + 10 + 10 創意十足,歡迎加入土炮改機的家族.
花見小路 + 10 + 10 能工巧匠

查看全部評分


發表於 2024-2-15 22:17:25 | 顯示全部樓層
厲害,手藝好,只是這樣不就破保了。
回覆

使用道具 舉報


 樓主| 發表於 2024-2-16 08:18:51 | 顯示全部樓層
andy0314 發表於 2024-2-15 10:17 PM
厲害,手藝好,只是這樣不就破保了。

哈~ 對ㄚ
新機買回家後連基本通電測試都沒有就直接改機了
事先有做好思想準備的
也算是有部分在賭人品, 好在這一台環擴並不複雜,還算好改
回覆

使用道具 舉報


發表於 2024-2-20 00:20:13 | 顯示全部樓層
啊哈,上回你也改了NR616對吧,手法熟練!

看到這麼低階的內部,對本身的推力不太有啥期望,看到類比區用料就知道很低廉了,直接做成前級處理器就發燒很多。

我會建議,如果完全沒有要使用他的後級部,可以想如何跟前級完全斷開。
上回改我的VSX922後面我逐漸意識到,如果內部的後級沒斷開,前級的阻抗會變低,意指輸出的聲音與電平變得不理想,尤其接駁到不同的後級會改變音色。
我文章也提及如果直接斷開,通常會觸發直流保護關閉擴大機,所以在切斷內部後級後,應該試試將及功放部信號接地,這樣他就有個零電平,或許能誘騙直流保護。

最後有關我的VSX922後續,我雖然對全景聲不感興趣,但我開始在乎DAC的清澈度,所以這台最後我放棄使用,改做多聲道USB轉I2S的DAC板 ,或許哪天夠瘋狂,也能試試擷取這些環擴的I2S信號,做出自己的高品質前級處理器。
回覆

使用道具 舉報


發表於 2024-2-21 02:47:45 | 顯示全部樓層
落地改 好利害 再加上強大的心臟
回覆

使用道具 舉報


 樓主| 發表於 2024-2-21 08:48:29 | 顯示全部樓層
本文最後由 hungrich 於 2024-2-21 08:49 AM 編輯
XzCraftP 發表於 2024-2-20 12:20 AM
啊哈,上回你也改了NR616對吧,手法熟練!

看到這麼低階的內部,對本身的推力不太有啥期望,看到類比區用 ...

回覆 XzCraftP 大
感謝建議提供
抱這一台回家最主要的目的就是借箭它的4K 影音輸出 & 前級處理
因為還沒完全摸清前級輸出後與後級輸入這一端的電路, 所以還沒特別去思考到阻抗要如何精進優化
上回那一台TX-NR616是跟姊妹機Integra DTR-30.4 共用電路, 只是30.4有 Preout的RCA輸出, 而616被閹割了
當時的作法說穿了就是將機板上Preout訊號拉跳線後, 接到其他沒有使用的RCA輸入端子上,把它當成30.4來用
這一次也是如法炮製的方式來處理
至於前級阻抗 & 電平的部分, 若真的要被迫來處理的話我應該會採用2擇1來處理
1) 用DUMMY LOAD來騙AV擴大機
2) 用環繞聲道喇叭接擴大機 (接主聲道 FR & FL應該不夠力)
這樣的話影片的影音訊號都可以兼顧, 也省去要考慮擴大機minimum load不足衍生出來的問題
至於DAC的部分, 這一台用的是AK4458, 若用純音樂性的2聲道角度來看的話……還是算了
改天我密一下偉良的掌櫃看看

回覆

使用道具 舉報

您需要登錄後才可以回文 登入 | 註冊

本版積分規則

熱門推薦

南臺灣藝文之都的B&W Nautilus鸚鵡螺/StormAudio風暴7.2.1.6多聲道視聽室開箱!
南臺灣藝文之都的B&W Naut
南臺灣藝文之都的B&W Nautilus鸚鵡螺/StormAudio風暴7.2.1.6多聲
25年專業劇院路終遇驚喜美麗新天地 - 新店李師傅Storm Audio風暴Core16客廳5.4.6開箱!
25年專業劇院路終遇驚喜美
25年專業劇院路終遇驚喜美麗新天地 - 新店李師傅Storm Audio風暴
當英倫貴族遇上法國大腦與美式肌肉:Tannoy Dimension 經典重生記
當英倫貴族遇上法國大腦與
當英倫貴族遇上法國大腦與美式肌肉:Tannoy Dimension 經典重生
Sharkwire鯊魚 Genesis 創世紀保險絲:打通器材任督二脈!無法淺嘗輒止的極致電流鍊聲術
Sharkwire鯊魚 Genesis 創
Sharkwire鯊魚 Genesis 創世紀保險絲:打通器材任督二脈!無法淺
MadVR Labs 全新體驗中心 —— 與 StormAudio 攜手打造「家庭劇院的終極巔峰」
MadVR Labs 全新體驗中心
MadVR Labs 全新體驗中心 —— 與 StormAudio 攜手打造「家庭劇

聯絡我們| 問題反映| 小黑屋| 手機版| Archiver|  本網站特別聘請 蔡家豪律師 為本站法律顧問

快速回覆 返回頂部 返回列表