查看: 5478|回覆: 5
收起左側

各位同好:請協助我釐清這高中音、低音平衡的問題

[複製連結]

發表於 2009-12-1 18:45:26 | 顯示全部樓層 |閱讀模式

馬上註冊,結交更多好友,享用更多功能,讓你輕鬆玩轉社區。

您需要 登錄 才可以下載或查看,沒有賬號?註冊

x
各位同好大家好:
我的聽音樂用的揚聲系統,是採BI-AMP方式,進行連結!
前級AMP是兩組前級輸出!各接一台同牌子立體聲道後級!
一台130W/每聲道 RMS值,一台200W/每聲道 RMS值
------------------------------------------------------------------------
聽起來總覺得低音不足,高中音很亮麗!
請問各位同好,有什麼建議方式,可以讓音質量感平衡一點?
例如:衰減器之類的?
------------------------------------------------------------------------

發表於 2009-12-1 22:13:11 | 顯示全部樓層
後級也要能調音量大小。
回覆

使用道具 舉報


 樓主| 發表於 2009-12-6 18:48:40 | 顯示全部樓層
我現在後級無法調整音量,有其他的方式嗎?
或是有建議的產品可以使用?
回覆

使用道具 舉報


 樓主| 發表於 2009-12-6 19:33:28 | 顯示全部樓層
我想我找到解決方式了!
引用:http://gc.digitw.com/new_page_27.htm的免費設計音量衰減器DIY資訊
源由:因為住家空間、裝潢已經受限,這已經是不太可能去做變動的事實!當然於喇叭位置、角度擺設時,會儘量朝正確的喇叭位置、角度來擺放!但是這時聆聽效果又不是很滿意時,要怎麼辦?
前提:必須是BI-AMP的立體聲音響結構
作法:自行DIY製作兩個音量衰減器,一個用於中高音,一個用於低音
後續:於備料完畢後會進行試作!試作完畢會進行測試,並會將測試結論、效果表現再告知大家!
參考:該網站有詳細製作說明
建議:可參考此線路來製作,但是不要使用RELAY!自行參考電阻阻值以手焊方式來對應!並固定之!
原因:RELAY的接點及內部線路的走法,是單心線的線路走法!這對音質絕對不能接受!
建議:最好的方式,直接在接頭內就作業完畢!用這樣的方式來調整高中音的音量、低音的音量,藉以平衡整個音質量感!
後續:我會將製作經驗再放上來供大家參考!
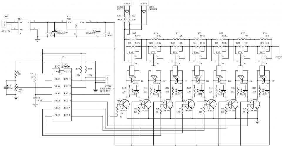
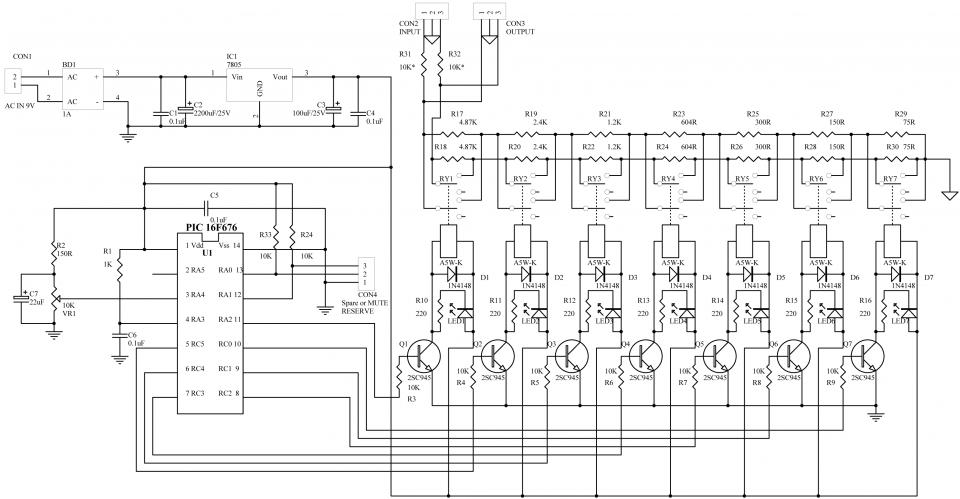
電路圖請參考
電路圖.gif
實體圖請參考
實體圖.jpg
配置圖請參考
Layout圖.jpg

[ 本帖最後由 david520607 於 2009-12-6 19:42 編輯 ]
回覆

使用道具 舉報


發表於 2009-12-17 08:50:26 | 顯示全部樓層
這個電路你並不適用,那是控制後級用且要燒錄程式pic
建議4種方法
1:調整EQ,或增加BASS,加強超重低音
2:中低音喇叭串5W5 OHM電阻
3:用堆疊方式增加低音喇叭
4:房間吸音處理
回覆

使用道具 舉報


發表於 2009-12-28 23:38:40 | 顯示全部樓層
請將喇叭往前拉.靠近聆聽區.在主牆的兩側增加吸音材質.沙發的兩側也增加吸音材質即可.因為喇叭向前直接音增加.反射音減少.在空間的四周角落增加吸音能大幅減少高音反射音.低頻駐波.而且低音慢.高音快.只有採用此方法才能提升低音.使用電路及等化都是最下策.因為有所得就有所失.聲音會變的很不自然.你可以試試看我的方法.會有意想不到的改善
回覆

使用道具 舉報

您需要登錄後才可以回文 登入 | 註冊

本版積分規則

熱門推薦

絕對有感的杜比視界!Optoma UHR90DV丹爸影音實驗室體驗後感   - 這個價位!這般規格!這等畫質!實力足以挑戰業界巨人的投影機大衛王!
絕對有感的杜比視界!Opto
絕對有感的杜比視界!Optoma UHR90DV丹爸影音實驗室體驗後感 -
南臺灣藝文之都的B&W Nautilus鸚鵡螺/StormAudio風暴7.2.1.6多聲道視聽室開箱!
南臺灣藝文之都的B&W Naut
南臺灣藝文之都的B&W Nautilus鸚鵡螺/StormAudio風暴7.2.1.6多聲
StormAudio ISR Fusion 20:力量、精準與聽覺新典範—Thrillcat Cinema Lab
StormAudio ISR Fusion 20
StormAudio ISR Fusion 20:力量、精準與聽覺新典範—Thrillcat
Barefoot Sound Footprint03:最先進的錄音室監聽進化之作
Barefoot Sound Footprint
Barefoot Sound Footprint03:最先進的錄音室監聽進化之作—Swee
MadVR Experience Center 家庭劇院導覽:瘋狂的11.11.6 聲道的沉浸體驗
MadVR Experience Center
MadVR Experience Center 家庭劇院專訪:瘋狂的11.11.6 聲道的沉

聯絡我們| 問題反映| 小黑屋| 手機版| Archiver|  本網站特別聘請 蔡家豪律師 為本站法律顧問

快速回覆 返回頂部 返回列表